首页
公司简介
产品展示
新闻中心
工程案例
售后服务
在线留言
联系我们
排污泵
离心泵
自吸泵
浆泵
油泵
旋涡泵
真空泵
消防(生活)供水设备系列
脱硫泵
液下泵
渣浆泵
玻璃钢泵
消防泵
塑料泵/氟塑料泵
试压泵
深井泵
磁力泵
多级泵
隔膜泵
管道泵
管道离心泵
化工泵
计量泵
螺杆泵
耐腐蚀泵
屏蔽泵
潜水泵
水力喷射器
成套设备
控制柜
配件
机械密封
产品展示 /
PRODUCT DISPLAY
当前位置:
首页
>> 产品展示
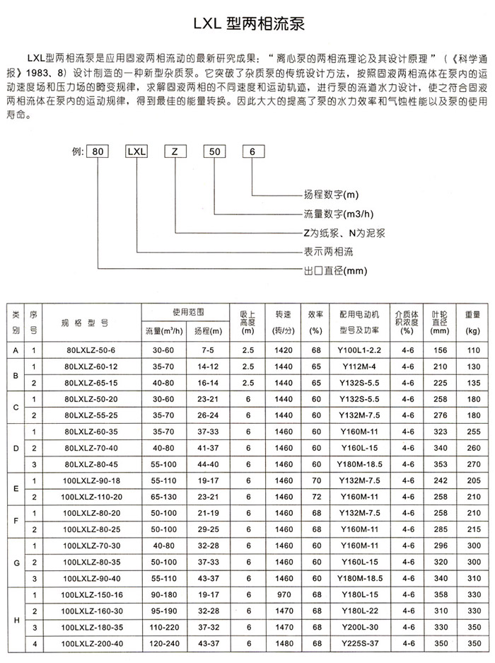
LXL两相流纸浆泵
Copyright © 2012 湖南省沃曼泵业有限公司汕头分公司 版权所有 粤ICP备09059047号
地址:汕头市金湖路30号瑞禧园1幢103号房之二 电话: 手机:13178756136 13829665828 你是本站第
848119
位客人!